致卓测控为您讲解电压互感器试验介绍
一、项目分类(以高铁检规标准分类)
1.电磁式压互
1)预防性试验:绕组的绝缘电阻、tan(20KV及以上油浸式)、交流耐压试验(20KV及以下)。
2)特性试验:空载电流测量、连接组别和极性、电压比。
3)其他试验:铁芯加紧螺栓的绝缘电阻、密封检查、局部放电测量
2.干式压互
1)预防性试验:绝缘电阻、交流耐压试验(10KV)。
2)特性试验:连接组别和极性、电压比、绕组直流电阻。
3互感器测试台)其他试验:局部放电测量、空载电流测量。
3.电容式压互
1)预防性试验:
2)特性试验:电压比。
3)其他试验:中间变压器的绝缘电阻、中间变压器的tan。
二、试验项目(电磁式压互)
(一)绕组的绝缘电阻
1、试验方法:兆欧表法
2、试验仪器:兆欧表、温湿度计;绝缘电阻测试仪
3、试验方法及接线示意图
1互感器测试台)一次绕组对二次绕组及外壳:测试前将被测试的一次绕组头尾短接(即A端与X端)后与绝缘电阻表的负极(L端)相连,所有二次绕组头尾短接接地与互感器的外壳(底座)、绝缘电阻测试仪正极(E端)相连。
2)各二次绕组对外壳:测试前将被测试的所有二次绕组头尾短接一起与绝缘电阻表的负极(L端)相连,一次绕组头尾短接接地与互感器的外壳(底座)、绝缘电阻正极(E端)相连。
3)二次绕组之间:测试前将被测试的二次绕组头尾短接与绝缘电阻表负极(L端)相连,剩余的所有二次绕组头尾短接接地与互感器的外壳(底座)、绝缘电阻正极(E端)相连。
4)末屏对地:测试前将末屏的接地线拆除后与绝缘电阻表的L端相连,将互感器的外壳(底座)与绝缘电阻表的E端短接接地。互感器测试台
4、试验步骤(参考电流互感器测量绝缘电阻的试验步骤)
5、注意事项(参考电流互感器测量绝缘电阻的试验步骤)
6、试验结果判断(参考电流互感器测量绝缘电阻的试验步骤)
(二)铁芯夹紧螺栓(可接触到的)的绝缘电阻
1、试验方法:兆欧表法;
2、试验仪器:兆欧表、温湿度计;绝缘电阻测试仪
3互感器测试台、试验方法及接线示意图(参考变压器测量绝缘电阻)
4、试验步骤(参考变压器测量绝缘电阻)
5、注意事项(参考变压器测量绝缘电阻)
6、试验结果判断:一般不得低于10MΩ。
(三)tan及电容量(20KV以下压互不做此试验)
1、试验方法:全自动抗干扰介损测试仪法;
2、试验仪器:全自动抗干扰介损测试仪法、精密电压源
3、试验接线图:
(1)非电容型电压互感器电压互感器电容值及介损测试
1)全绝缘压互,采用一次绕组加压,反接线法。
测试前将高压引线拆除。电压互感器的高压绕组头尾连接接至全自动抗干扰介质损耗仪 C端(具体引至C还是HV端根据介损测试仪说明书进行),并注意引线与互感器保持相应安全距离,其所有二次绕组首尾端短封接地。试验方法与变压器介损试验相同,加压10KV。互感器测试台
2)分级绝缘压互:共有四种接线方法。(常规法(正接法和反接法)、
自激法、末端屏蔽法、末端加压法(首端屏蔽法))
a:常规法(正接法和反接法)接线
常规正接法接线原理图 常规反接法接线原理图互感器测试台
b:自激法接线
c:末端加压法接线
d:末端屏蔽法接线
一般采用末端屏蔽法,末端屏蔽法可以分别测量一次绕组对二次绕组(ax)、三次绕组(aDxD)的tan及测量绝缘支架的tan。
① 测量一次绕组对二、三次绕组的tan(末端屏蔽法)。一般接线原理图如上图7-14所示,试验变压器是给一次绕组提供高压的外接电源。
以HXOT 700A试验仪器测试为例:
采用HXOT 700A测量时压互一次绕组A端加高压,末端X接地。施加电压10KV,由于电压在AX绕组的不等压分布,电容量较常规法小很多。试验接线如下图:互感器测试台
A.试验步骤(参考电流互感器tan测试,以HXOT 700A为例,注意选用正接法)
B.注意事项:参考电流互感器tan测试。
需特别注意被试互感器二次绕组(ax)及三次绕组(aDxD)首末端不能短接。
②测量绝缘支架的tan(末端屏蔽法)。有两种测量方法,间接测量法和直接测量法。互感器测试台
a)间接测量法。测试时A端加压,X端接地,x和xD端与底座相连接入电桥。需采取底座对地绝缘和底座接地两种方法,分别测出下铁芯对二、三次绕组及底座(支架)的tan1和C1,下铁芯对二、三次绕组的tan2和C2,然后计算求出铁芯对绝缘支架的tan=(C1*tan1-C2*tan2)/(C1-C2)。
b)直接测量法。测量时A端加压,X端接地,x和xD端相连接地,底座绝缘起来并接入电桥,采用正接法测量。此时测出的是压互下铁芯对底座四根绝缘支架和绝缘油并联的等值介质损耗因数互感器测试台。
4、试验步骤(参考电流互感器tan测试,以HXOT 700A为例)
5、注意事项(参考电流互感器tan测试,以HXOT 700A为例)
同时应注意:
1)测量绝缘支架tan时,注意法兰底座绝缘垫必须良好,绝缘电阻值不低于10000MΩ,否则会出现介质损耗因数的正误差。
2)尽量减小高压引线对互感器的杂散电容。
3)被试互感器二次绕组(ax)及三次绕组(aDxD)首末端不能短接。互感器测试台
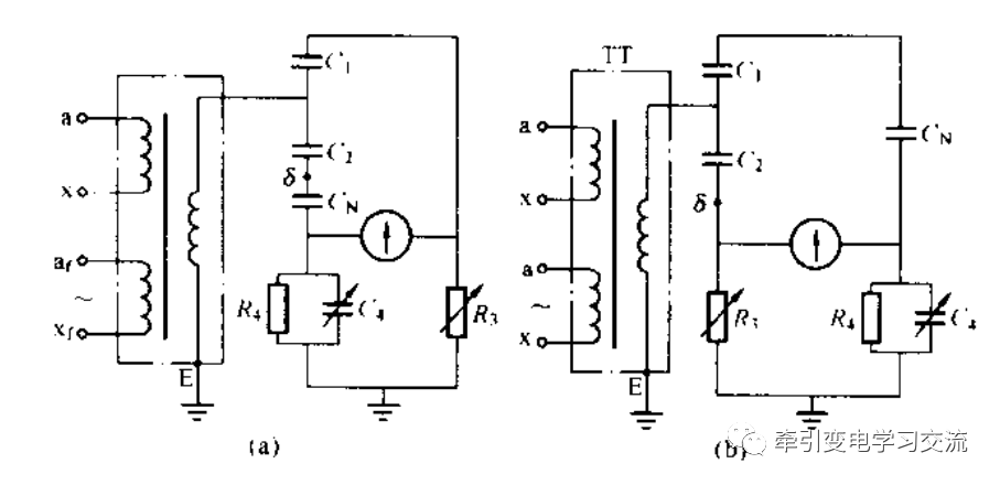
(2)电容型电压互感器电容值及介损测试:
1、试验方法:可采用自激法测试介质损耗,由精密电压源给电压互感器二次绕组施加一个电压(此电压换算到一次侧应为3KV),全自动抗干扰介质损耗仪采用正接法接线,
2、试验接线(自激法)
(a)测量C1和tan1接线图(b)测量C2和tan2接线图
测试接线示意图如下:
2)试验步骤:
①互感器测试台仪器应用专用接地线良好接地。确认"电源"键未按下,从"HV"端子用仪器专用线缆接至分压电容的""("N")点(为消除电缆本身电容量对测量结果的影响,"HV"专用电缆的专用接地插头同整根电缆一起悬空,不要插入仪器的专用接地端),从"CX"端子用仪器专用线缆接主电容高压端,XL点接地。
②接通电源,试验负责人发出"将要合闸"命令,其他人员退出围栏以外,指定操作人员合上闸刀开关。按下"电源"键,仪器自检完毕应显示:
③互感器测试台按"工作方式"键选择外接升压器工作方式。
④按"正/反接线"键选择接线方式。选择"正接"。
⑤互感器测试台操作者一只手放在闸刀开关旁边,随时准备拉开关,另一手按下高压允许键,再按下"启动"键,另一操作者用中间变压器励磁加电压,试验电压不超过3 KV,仪器自动采集外接电压,开始测量,测量结束,操作者将调压器归零,外加电压撤除,此时,必须按窗口提示将的高压允许"键松开,窗口会显示测量结果。即为主电容C1和tan1的值。然后关机,拉开开关,用放电棒将被试品充分放电,并将放电棒挂在高压输出端,才可宣布"高压已断开"。才能允许其他工作人员进入围
栏工作。
⑥互感器测试台改变仪器接线方式,从HV端子用仪器专用线缆接至主电容高压端(为消除电缆本身电容量对测量结果的影响,"HV"专用电缆的专用接地插头同整根电缆一起悬空,不要插入仪器的专用接地端),从"CX" 端子用仪器专用线缆接分压电容的""("N")点,XL点接地。其余测量步骤同上,同样的方法测出的值即为分压电容C2和tan的值。
6、试验结果判断(参考电流互感器tan测试,以HXOT 700A为例)
(1)所测得的tan应符合规定标准值。
支架绝缘tan一般不大于6%。
(2)当发现tan随试验电压变化有明显变化时,应认真检查分析原因。
(3)实践表明,试验温度小于0C或天气潮湿(相对湿度大于85%)条件下进行tan 试验,不能得到反映绝缘状况的测量结果,因此一般不能用低温下的tan来估算实际绝缘状况。
(四)交流耐压试验互感器测试台
1、额定电压35KV及以下的全绝缘互感器:(参考变压器工频交流耐压试验)
2、110KV及以上的半绝缘电压互感器
1)试验方法:倍频感应耐压。
试验原理:110KV及以上的电压互感器多为分级绝缘,其一次绕组末端的绝缘水平很低,约为5KV。因此,一次绕组末端不能与首端承受同一试验电压。采用倍频感应的方法,可以把电压互感器的一次绕组末端接地,从某一个二次绕组激磁,在一次绕组首端感应出所需要的试验电压,这对绝缘的考核同实际运行中的电压分布是一致的。另一方面,由于感应耐压试验时一次绕组首尾两端的电压比额定电压高得多,绕组电势也比正常运行是高得多,因此感应耐压试验可以同时考核电压互感器的纵绝缘,从而检查出由于电压互感器中电磁线质量不良如露铜、漆膜脱落和绕线时打结等原因造成的纵绝缘方面的缺陷。互感器测试台
2)试验仪器:三倍频电源发生器;无局放倍频感应耐压试验系统。
3)试验方法及接线示意图
(1)无局放倍频感应耐压试验系统互感器测试台
(2)三倍频电源发生器测试法
(3)试验步骤(参考变压器工频交流耐压试验)
(4)注意事项(除参考变压器工频交流耐压试验外,还需注意以下几点)
①用三倍频发生器进行感应耐压试验时,110及220KV等级的压互,在辅助绕组(aD、xD)上施加倍频电压,35KV等级的压互在低压绕组(a、x)上施加倍频电压。
②外施工频耐压试验应在高压侧测量试验电压,如果在施加电压的低压侧测量电压,应考虑容升效应。在150HZ下,对于220KV的压互,容升按8-10%考虑;110KV的压互,容升按5%考虑;35KV的压互,容升按3%考虑。互感器测试台
③充油设备试验前应保证被试设备有足够的静置时间:110KV及以下设备静置时间24小时,220KV设备静置时间大于48小时。
④试验前后宜重复进行介损及电容量、空载电流测量,注意试验前后应无明显变化。
(五)连接组别和极性测量
1、试验方法:直流法;互感器特性综合测试仪
2互感器测试台、试验仪器:蓄电池、毫伏表;互感器特性综合测试仪法
3、试验方法及接线示意图
4、试验步骤
1)直流法;(参考变压器直流法测极性步骤)
2)综合特性测试仪法
①拆除压互的一次、二次接线,对压互进行放电。被测绕组接仪器的测试端子,其余二次绕组均要开路。连接试验仪器接地线,确认电源未连接。
②将综合测试仪的A、X端子接压互的一次端子A、X,综合测试仪的a、x端子接压互的被测二次端子a、x。接线时先接仪器端,再接设备端。
③互感器测试台检查接线正确,接通电源,开机待测试仪自检完成后,依次选择电压互感器、变比极性。根据互感器铭牌设置参数,包含测量方式、额定变比,检查输入数据正确后,按"开始测试"钮,测试仪开始自动测试。
④待测试数据稳定后,记录仪器中显示的极性。
⑤复位,关机,断开电源。
⑥对互感器进行放电,拆除设备接线,加装临时短封接地线。
5、试验注意事项
1)压互极性测试时测试结果应与铭牌标记和设计要求相符。
2)互感器测试台检查时应先将毫伏表放在直流毫伏的一个较大档位,根据指针摆动的幅度对档位进行调整,使得既能观察到明确的摆动又不超量程打表;
3)采用综合特性测试仪测量极性时,应与被测设备保持一定的距离,因为测试过程中压互一次会产生高压。
4)电池连通2~3s后立即断开以防电池放电过量。
6、试验结果判断
检查互感器的接线极性,必须符合设计要求,并应与铭牌相符。
(六)电压比测量
1、试验方法:双电压表法;全自动变比电桥法;综合特性测试仪法
2互感器测试台、试验仪器:全自动变比电桥;综合特性测试仪
3、试验方法及接线示意图
1)双电压表法:参考变压器变比试验
2)综合特性测试仪法:
3)全自动变比电桥法:
4、试验步骤
1)双电压表法:参考变压器变比试验
2)综合特性测试仪法:
①拆除压互的一次、二次接线,对压互进行放电。被测绕组接仪器的测试端子,其余二次绕组均要开路。连接试验仪器接地线,确认电源未连接。
②互感器测试台将综合测试仪的A、X端子接流互的一次端子A、X,综合测试仪的a、x端子接压互的被测二次端子a、x。接线时先接仪器端,再接设备端。
③检查接线正确,接通电源,开机待测试仪自检完成后,依次选择电压互感器、变比极性。根据互感器铭牌设置参数,包含测量方式、额定变比,检查输入数据正确后,按"开始测试"钮,测试仪开始自动测试。
④待测试数据稳定后,记录仪器中显示的变比、比差。
⑤复位,关机,断开电源。
⑥对互感器进行放电,拆除设备接线,加装临时短封接地线。
3)全自动变比电桥法
①互感器测试台拆除压互的一次、二次接线,对压互进行放电。被测绕组接仪器的测试端子,其余二次绕组均要开路。连接试验仪器接地线,确认电源未连接。
②按照仪器说明书要求接线,接通电源,仪器自检完毕后,设置变比。
③检查无误后,按开始键,仪器自动测试,测试完毕后,显示变比和误差值。记录数据。
④复位,关机,断开电源。
⑤对互感器进行放电,拆除设备接线,加装临时短封接地线。
5、注意事项
1互感器测试台)变比电桥使用时,在高压侧输出220V交流电压,注意安全;接线操作一定要在测量停止状态;高低压端子不能反接,容易损坏仪器。
2)测试过程中禁止人员触摸电压互感器,防止人员触电情况发生。
3)采用综合特性测试仪测量变比时,应与被测设备保持一定的距离,因为测试过程中压互一次会产生高压。
6、试验结果判断
1)检查互感器的接线极性,必须符合设计要求,并应与铭牌相符。
2)所测得的变比误差结果应符合规定标准值。
(七)空载电流测量
1、试验方法:电压电流表法;
2互感器测试台、试验仪器:调压器,交流电流表,交流电压表
3、试验方法及接线示意图
4、试验步骤
1)拆除压互的一次、二次接线,对压互进行放电。将高压侧X端接地;二次绕组x端接地;将调压器接至互感器的低压侧。
2)接通调压器电源,试验负责人发出将要合闸命令,其他人员退出围栏以外,指定操作人员从低压互感器测试台侧缓慢加压,逐渐升至额定电压,读取电流表读数即为额定电压下的空载电流。读数以电压为基准,对于二次额定电压为100V的电压互感器,电压为100V时读取空载电流值。继续升压至高限电压(中性点非有效接地系统为1.9Um/√3,中性点有效接地系统为1.5Um/√3)下,迅速独处并记录电压、电流,断开电源刀闸。
3)对三相电压互感器,可在低压侧加三相100V试验电源。若三相电源不平衡时,可取三相电压的算术平均值作为所加电压的数值。当各相电压差不超过2%时,可用UAC,代表平均电压,然后读取各相的空载电流值。
4互感器测试台)试验结束后恢复拆除的所有外部接线,并经工作负责人确认。
5、注意事项
1)电压表内阻应在2000Ω/V以上,每次试验都使用同类型的仪表,以便同类型设备进行比较。
2)升压过程应平稳上升,中途不得下降。升压时应两人配合,一人监视电压表,一人读取电流值。
3)空载电流是高电压测量,试验时要保证被试品对周围人员、物体的安全距离,并必须在试验设备及被试品周围设围栏并有专人监护。
4)各二次绕组x端单端接地,一次绕组X端单端接地。
5互感器测试台)将调压器的电压输出端接至某个二次绕组(应尽量选择二次容量大的二次绕组),在此接入测量用电压表、电流表(有时需要用到测量用电流互感器)。
6)接线时核对电源极性,防止合闸瞬间烧毁仪表。
7)感应耐压前后应进行此项试验,数据不应有明显差异。
6、试验结果判断
1互感器测试台)试验测得的空载电流值与制造厂数据比较,应基本接近。若相差太大,说明互感器有问题。对于串级式电压互感器,如果刚加电压,空载电流就大大增加,可能是连耦绕组极性接反;如果连耦绕组断开,则其空载电流较正常值小的很多。
2)额定电压下的空载电流与出厂值或初始值比较,应无明显差异。在高限电压(中性点非有效接地系统为1.9Um/√3,中性点有效接地系统为1.5Um/√3)下,空载电流不应大于最大允许电流。
(八)局部放电测量
1、试验仪器:无局放高电压试验变压器及测量装置、局部放电测量仪;
2、试验方法及接线示意图
3、试验步骤
1互感器测试台)局部放电试验可结合感应耐压试验同步进行(具体参考电压互感器感应耐压试验),按照局放试验要求接线。
2)设定基本放电量。
3)感应耐压60s后不将电压回零,直接降至局部放电测量电压进行30s-60s局部放电测量。如果单独进行局部放电试验,应先将电压升至预加电压,停留10s后,将电压降至局部放电测量电压进行测量。
4互感器测试台)调节放电量的阀值,同时调节灵敏度调节钮,使灵敏度最大。当有效指示灯处于闪烁的临界状态时,此时放电量阀值就是试品的最大放电量。记录数据。
4、注意事项
1)试验时应记录环境湿度,相对湿度超过80%时,不应进行本试验。
2)测试前拆除所有与互感器连接的外部连线,确认带电区域,拉好安全警戒带,挂好警戒标牌"止步、高压危险"。并派专人防护,以防其他人员误入高压区;防止高压送到其他设备造成设备损害和危及人员安全。
3互感器测试台)测试过程中测试人员应穿好绝缘靴,戴好绝缘手套,站在绝缘垫上进行。测试过程中精力集中,发现有异常情况赶紧切断电源,放电后再检查原因。
4)局部放电试验应在耐压试验以后进行,此时测试效果更接近真值。
5)对于串级式电压互感器,应施加感应电压,频率一般为150~200Hz。
6)升压设备的容量应足够,试验前应确认高压升压等设备功能正常。
7互感器测试台)对全绝缘压互,试验时A端接高电压,X端及二次绕组单端与箱壳一起经测量阻抗接地(如果耦合电容器经测量阻抗接地,则被试互感器X端等直接接地);对于串级式或分级绝缘的压互,应进行两次局放试验。第一次A端接高电压,X端及二次绕组单端与箱壳一起经测量阻抗接地(如果耦合电容器经测量阻抗接地,则被试互感器X端等直接接地),第二次X端接高电压,A端及二次绕组单端与箱壳一起经测量阻抗接地(如果耦合电容器经测量阻抗接地,则被试互感器A端等直接接地)。
8)所用测量仪器、仪表在检定有效期内,局部放电测试仪及校准方波发生器应定期进行性能校核。
9)充油设备试验前应保证足够的静置时间。
10互感器测试台)局部放电测量时应在高压侧监测施加的一次电压。
5、试验结果判断
1)环氧浇注的互感器内部总存在多个气泡,且分布不均匀,有的靠近高压侧,有的靠近低压侧,因此正、负脉冲高度在正、负半周很不对称,所以,在排除掉确认的外干扰脉冲的情况下,应以确认为内部的较高半周的脉冲作为测量结果。
2)在进行局部放电试验时,如果发现放电量特别大,应立即停止试验,查明原因。
3)对不同等级和结构的互感器在标准试验电压下,不应超过标准的最大允许视在放电量。
(九)密封检查互感器测试台
1、油浸式互感器外表应无可见油渍现象;
2、SF6气体绝缘互感器定性检漏无泄漏点,有怀疑时进行定量检漏,年泄漏率应小于1%。
(十)空载励磁特性试验
1、试验方法:电流电压表法;互感器综合特性测试仪法。;
2、试验仪器:调压器、标准电流表、标准电压表;互感器综合特性测试仪
3、试验方法及接线示意图
测试压互的空载励磁特性,将带调压器输出端并入标准电压表,输出回路中串入标准电流表,接到压互的被测绕组上,其余绕组的尾端(n、N)均接地。互感器测试台
4、试验步骤
1)由于试验时,一次测将产生高压,所以应设置安全围栏且有人防护。
2)试验接线完毕后,经试验负责人确认无误后方可升压。升压过程中,中途不要下降,平稳上升。应两人配合,一个监视电压表,一人读取电流值。
3)互感器测试台电压互感器进行试验时,高压侧开路,低压侧通以电压,读取其电流。读数以电压为准。一般情况下,励磁曲线测量点为额定电压的20%,50%,80%,100%,120%,逐点读取相应电流值。
4)试验后,根据试验数据绘出励磁特性曲线。
5、注意事项
1)电压表内阻应在2000/V以上。每次试验都使用同类型的仪表,以便同类型设备进行比较。
2)互感器二次接线接地端必须断开,防止合闸瞬间烧毁仪表。接线时应将调压器输出端串接电流表后直接连接至互感器,严禁调压后输出电流经过电压采集回路。
3)试验过程中会产生高压,应注意防护,应设立高压区,挂警戒绳和警戒牌,并派专人防护。
6互感器测试台、试验结果判断
实测的励磁特性曲线或额定电压时的空载电流值与过去或同类型电压互感器的特性相比较,应无明显的差异,否则应查明原因。
(十一)绕组直流电阻测量
1、试验方法:(参考变压器)
2、试验仪器:(参考变压器)
3、试验接线图
4、试验步骤(参考变压器)
5、注意事项(参考变压器)
1)采用直流电阻测试仪进行测量,注意测试电流不宜超过线圈额定电流的50%,以免线圈发热直流电阻增加,影响测量的准确度。
2互感器测试台)试验接线:将被试绕组首尾端分别接入电桥,非被试绕组悬空,测试时电流端子应在电压端子的外侧(小电阻测量);
3)换接线时应断开测试仪的电源,并对被试绕组短路充分放电后才能拆开测量端子,如果放电不充分而强行断开测量端子,容易造成过电压而损坏线圈的主绝缘,一般数字式直流电阻测量装置都有自动放电和警示功能。
6、试验结果判断
1互感器测试台)电压互感器一次绕组的直流电阻均在几百欧至几千欧之间,互感器二次直阻一般是零点几至几欧,测量结果应与制造厂测得的数值无明显差异。
2)测试完后认真检查对比测试结果,对于不符合标准的互感器再重复进行测试判断,并做好记录。
三、试验项目(电容式压互)
一)电压比(同电磁式压互)
二)中间变压器的绝缘电阻(参考其他设备绝缘电阻测量)
三)中间变压器的tan
1、试验方法:(参考电磁式压互)
2、试验仪器:(参考电磁式压互)
3、试验接线示意图:
4、试验步骤(参考电磁式压互)
5互感器测试台、注意事项(参考电磁式压互):另需注意试验时电压不超过2KV。
6、试验结果判断(参考电磁式压互)
四、试验项目(干式压互)
一)绝缘电阻(参考电磁式压互)
二)交流耐压试验(参考电磁式压互)
三)局部放电测量(参考电磁式压互)
四)空载电流测量(参考电磁式压互)
五)连接组别和极性(参考电磁式压互)
六)电压比(参考电磁式压互)
七)绕组直流电阻(参考电磁式压互)





扫一扫添加微信